3AM丞基技研 GLC-STB-C2P10-4CH 超频闪频调光器
规格表

| 型号 | GLC-STB-C2P10-4CH |
|---|
| 输入电压 | 12-35V DC 输入电压,使用1x3-pin欧规端子 |
|---|
| 触发输入 | 2-CH 独立触发输入 低准位:0V-1.5V 高准位:5V-24V |
|---|
| 输出电压 | 超频模式(overdriving): 0V to 40V 其他模式(continuous, plused, switched): 0V to 24V |
|---|
| 输出电流 | 超频模式:最高10A, 步距10mA 其他模式:最高2A,步距2mA |
|---|
| 输出功率 | 超频模式峰值功率500W 其他模式额定功率180W |
|---|
| 脉波宽度 | 超频模式:50u~ 30,000us 其他模式:400 µs~30 s, 步距1 µs |
|---|
| 延迟时间(Pulse Delay) | 最低0µs, 步距1 µs |
|---|
| 工作温度 | 0°C ~ 35°C* |
|---|
| 控制方式 | 乙太网路 |
|---|
| 工作模式 | 一般,脉冲,超频跟开关模式 (Continuous, Pulsed, Overdriving and Switched) |
|---|
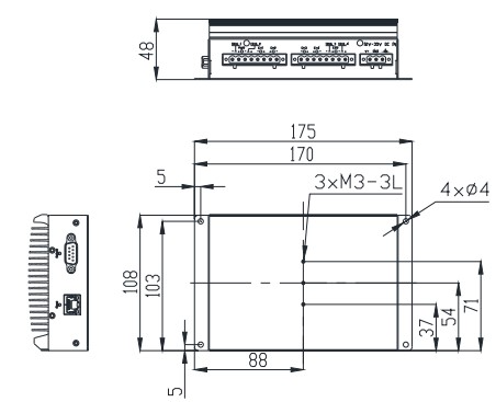
| 尺寸 | 48 mm(W) x 108 mm(D) x 175 mm (H) |
|---|
PIN Def.

| Pin | Function |
| TRIG1- | Trigger 1 input |
| TRIG1+ |
| TRIG2- | Trigger 2 input |
| TRIG2+ |
| CH1- | Channel 1 output to lighting |
| CH1+ |
| CH2+ | Channel 2 output to lighting |
| CH2- |
| CH3- | Channel 3 output to lighting |
| CH3+ |
| CH4+ | Channel 4 output to lighting |
| CH4- |
| TRIG3- | Trigger 3 input |
| TRIG3+ |
| TRIG4- | Trigger 4 input |
| TRIG4+ |
| V+ | Power Supply |
| GND |
| Default | Factory reset dimmer |
| Reset | Reboot dimmer |
0755 84689265 手机/微信:18320955412 QQ:2423332841 邮箱:2423332841@qq.com