3AM丞基技研 GL-DR2-10030UV365-24 紫外线光源
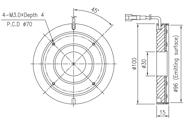
规格尺寸
| 机构材质 | 铝(光源) |
|---|
| 表面处理 | 阳极黑(光源) |
|---|
| 尺寸单位 | mm |
|---|
| 公差范围 | +-0.3 |
|---|
| 电源接头 | SM3P母座公针 |
|---|
| 电源接头接脚定义 |  |
|---|
Note: 光源电源线长度因各系列光源而有所差异,实际尺寸约25~30CM。

产品保证
亮度保证在正常使用产品时,自产品出货日起算一年之内,维持原新品之50%以上。
产品电气规格
| 工作电压 | DC 24V | 误差: ±0.1V |
|---|
| 耗能Max. | 7.76W | 仅LED之总耗能,线材、负载效应等影响忽略不计 |
|---|
| 工作环境 | 环境温度 | 0 - 40˚C |
|---|
| 环境湿度 | 20 - 80%RH |
| 冷却方式 | 自然空冷 |
| LED颗数 | 42颗 |
|
|---|
LED规格
晶片厂: NICHIA /CREE/OSRAM/SAMSUNG/PHILIPS 择一

DR2-11030系列照度距离变化曲线图

DR2-11030系列照射均匀分布图

0755 84689265 手机/微信:18320955412 QQ:2423332841 邮箱:2423332841@qq.com