SIGMA西格玛 C60-BP-70-50.8UU 笼式用固定式镜架(通孔)
◦ ケージシステムには、多種多様な部品を光軸に沿って取り付けるように専用ロッドが4本使用されています。ケージシステムには、φ6mmの専用ロッドを使用する□32mmコーナー配置(C32シリーズ)のオリジナルサイズをはじめ、□30mmコーナー配置(C30シリーズ)と□60mmコーナー配置(C60シリーズ)の3タイプがあります。さらに小型化が可能なφ4mmの専用ロッドを使用する□16mmコーナー配置(C16シリーズ)の計4タイプをラインナップしています。
◦ ケージシステムのホルダープレートにはサイドインタイプとスライドインタイプの2種類があります。サイドインタイプはケージシステムを構築したままでホルダープレートの着脱が可能です。スライドインタイプは予めケージシステムに組み込んでおく必要がありますが、ケージ(ロッド)にホルダープレートを強固に固定することができます。
◦ ホルダープレートはロッド(ケージ)の中を光軸方向にスライドさせることができます。ステージを使わなくても、レンズの焦点合わせやカメラのピント合わせが簡単にできます。
更多信息| 目录编号 | W4757 |
|---|
| RoHS | 是 |
|---|
| CE | 否 |
|---|
| 图纸下载 |
|
|---|
| 信息 | ▶如需要在其他部件上固定笼式结构,或网站上没有登载的零部件时,请垂询。 ▶关于使用笼式结构的光学系统,请来信垂询。 |
|---|
| 注意 | ▶假如紧固力过大,或各处的紧固力差异过大的话,也许会影响导杆的插入和安装。 ▶组装时,请别一下子拧紧螺钉。等整体结构组装成形后,顺序逐步均衡紧固各处螺钉。 ▶假如光学系统过大过长过细的话,支架也许会变形或震动,导致光学系统不稳定。 |
|---|
| 组装 | 从导杆端面插入 |
|---|
| 光学镜片的固定方法 | 两侧采用同样的螺纹环,从两侧拧紧固定 |
|---|
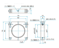
| 适用元器件外径 | φ50.8mm |
|---|
| 导杆直径(间距) | φ6mm (60x60mm) |
|---|
| 自重 | 0.112kg |
|---|
| 主要材料 | 铝合金 |
|---|
| 适用元器件厚度 | 9mm |
|---|
| 表面处理 | 黑色氧化 |
|---|
| 有效直径 | φ47mm |
|---|
0755 84689265 手机/微信:18320955412 QQ:2423332841 邮箱:2423332841@qq.com