SIGMA西格玛   C16-SP-H16    笼式用Φ16通孔板
  • SIGMA西格玛   C16-SP-H16    笼式用Φ16通孔板

SIGMA西格玛 C16-SP-H16 笼式用Φ16通孔板

SIGMA西格玛   C16-SP-H16    笼式用Φ16通孔板

更多信息
目录编号W4723
RoHS
CE
图纸下载



信息▶如需要在其他部件上固定笼式结构,或网站上没有登载的零部件时,请垂询。
▶关于使用笼式结构的光学系统,请来信垂询。
注意▶假如紧固力过大,或各处的紧固力差异过大的话,也许会影响导杆的插入和安装。
▶组装时,请别一下子拧紧螺钉。等整体结构组装成形后,顺序逐步均衡紧固各处螺钉。
▶假如光学系统过大过长过细的话,支架也许会变形或震动,导致光学系统不稳定。
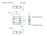
适用适配器外径φ16mm
导杆直径(间距)φ4mm (16x16mm)
自重0.003kg
主要材料铝合金
表面处理黑色氧化

0755 84689265 手机/微信:18320955412  QQ:2423332841  邮箱:2423332841@qq.com

常见问题1 2 3
本站使用百度智能门户搭建 管理登录