SIGMA西格玛 MHL-30S 板簧增强型高刚性镜架
◦和立柱(RO-20系列)或支柱(PST系列)配合使用,可实现不同的光轴高度。
◦和MHL用连接底板配合使用,性能上可替代MHB系列镜架。
◦镜筒可单独拆卸。并承接定制各种特殊规格的镜筒。
◦镜片支持板位置可锁定。角度调整后,可实现镜片位置的可靠固定。
更多信息| 目录编号 | W4145 |
|---|
| RoHS | 是 |
|---|
| CE | 否 |
|---|
| 资料下载 |
|
|---|
| 图纸下载 |
|
|---|
| 信息 | ▶如希望遥控或自动调节,可更换成自动驱动方式。详情请咨询。 ▶我们还提供可方便调节反射光束方向的万向式镜架(MHAN系列)。WEB参照/カタログコードW4010 |
|---|
| 注意 | ▶外形和MHB镜架不完全一样,请注意确认图纸。 ▶立柱,或底板等不是附属部件,需要另买。 ▶安装镜片前,请先卸下镜筒。安装好镜片后,重新把镜筒固定到镜架上去。 ▶用于固定45度入射的分光镜时,其有效透过光束尺寸容易受到镜框的限制,此时欢迎选购MHG-MP-NL系列透镜。 WEB参照/カタログコードW4001或万向式分光镜镜架(BHAN) WEB参照/カタログコードW4011 ▶ 镜面的角度调节(转动)中心不在镜面的中心。如希望反射面的中心和调整(转动)中心一致,可选用BSHL或MHAN。WEB参照/カタログコードW4012、WEB参照/カタログコードW4011 |
|---|
| 3D_CAD |
|
|---|
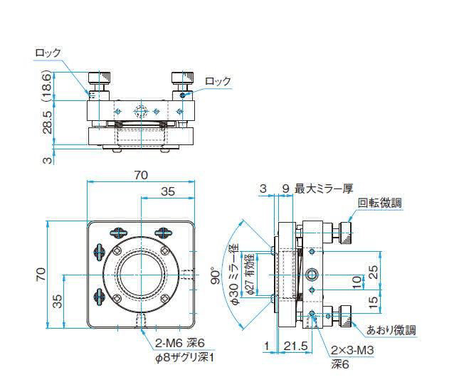
| 技术指标 | | 主要材料 | Aluminum | | 表面处理 | Black Anodized | | 适用外径 | φ30 mm | | 适用厚度范围 | 3~9 mm | | 可调轴数 | 2 | | 调整范围俯仰 | ±2° | | 调整范围方位 | ±2° | | 分辨率 俯仰 | 0.3°/转 | | 分辨率 方位 | 0.3°/转 | | 自重 | 0.29 kg |
|
|---|



0755 84689265 手机/微信:18320955412 QQ:2423332841 邮箱:2423332841@qq.com