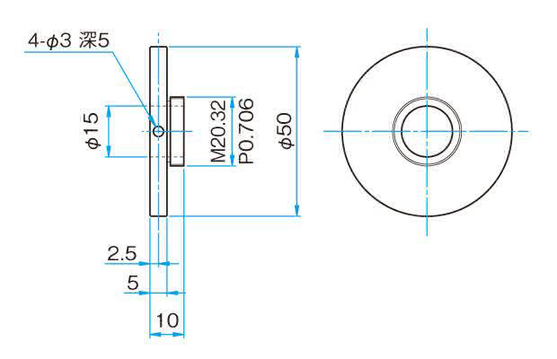
SIGMA西格玛 LHO-50ADP 物镜镜架适配器
◦5轴可调镜架(ALHN-5RO),可以实现焦平面内的调芯,调焦,和2轴倾斜调整。
更多信息| 目录编号 | W4513 |
|---|
| RoHS | 是 |
|---|
| CE | 否 |
|---|
| 图纸下载 |
|
|---|
| 信息 | ▶备有十字可调镜架(TAT),和TAT-18OA配合使用,还可以实现物镜的调心。 WEB参照/カタログコードW4038 |
|---|
| 注意 | ▶仅使用物镜适配器无法固定物镜。请一定同时选购LHO-20.32-N或LHO-20.32A-N。 ▶万一难于从适配器上拧下物镜时,请在适配器侧的小孔中插入一根金属棍等就容易拧了。 ▶如果不是西格玛光机的物镜,即使标称的螺纹规格相同,也会出现螺纹配合偏紧的情况。 |
|---|
| 3D_CAD |
|
|---|
| 技术指标 | |
|---|


0755 84689265 手机/微信:18320955412 QQ:2423332841 邮箱:2423332841@qq.com