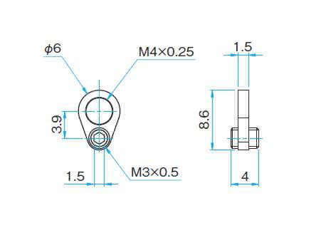
SIGMA西格玛 MHX-L-M4 锁紧板用于高稳定不锈钢镜架
◦请将镜片的反射面朝前,从镜架MHX-25.4F-R的后侧装入固定。如此结构保证不同厚度的镜片的反射面的位置相同,都处于立柱轴线。(MHX-***F/A系列镜架,是从镜架前面装入的。MHX-12.7F-R镜架虽从后侧装入,但不能连接立柱。)
◦MHX-***F/F-R系列有3个调整旋钮,既可调整俯仰・方位的角度,还可调节镜面的前后位置。(MHX-***A系列只有2个调整旋钮,只能调整俯仰和方位的角度。)
◦同时备有粘接法固定镜片用孔,还备有防止转动等的定位销用孔。
◦主要材料为高强度的不锈钢。虽然不锈钢的比重大,但通过优化设计,实现了轻薄结构。
◦镜架壁厚薄,导热性能好,环境温度变化时,内部温度分布均匀,镜架整体变形小。
更多信息| 目录编号 | W4055 |
|---|
| RoHS | 是 |
|---|
| CE | 否 |
|---|
| 资料下载 |
|
|---|
| 图纸下载 |
|
|---|
| 信息 | MHX专用扳手和锁紧板的安装方法。 ▶请使用六角扳手调整俯仰和方位等。仅用手是无法拧的。也可另购MHX-12.7用的内六角旋钮(KCL-1513)。WEB参照/カタログコードW4147 另外,也欢迎选购可替代使用的MHX-25.4专用扳手(MHX-K-M6)。 ▶备有调整好角度后的锁紧用,MHX用锁紧板(MHX-L-M*)。 |
|---|
| 注意 | ▶MHX-25.4不能连接M6螺纹的立柱(RO)。如希望使用立柱的话,请使用M4,或8-32 UNC螺纹规格的立柱(ROC,RO-UU)。MHX-12.7无法连接头部是螺纹的立柱。MHX系列都可以用M4或8-32UNC螺钉固定于带有相应螺纹孔的立柱或转换板上。(MHX-12.7的话,请使用附属的小头螺钉。) ▶使用立柱固定的螺纹孔规格有2种,各1个,所以,使用立柱固定时,镜架不能反手对称安装。 但,备有2个对称的通孔,可使用M4螺栓,实现对称固定。 ▶用于搭建迈克尔逊干涉仪等,需要半透半反的十字交叉光束的光学系统时,其有效口径会变小。 |
|---|
| 1包装 | 3 |
|---|
| 镜片 装入方向 | - |
|---|
| 自重 | 0.003kg |
|---|
| 调整轴数 | - |
|---|
| 调整范围(俯仰) | - |
|---|
| 调整范围(方位) | - |
|---|
| 适用镜架 | MHX-12.7 |
|---|
| 适用元器件外径 | - |
|---|
| 适用元器件厚度 | - |
|---|
| 分辨率(俯仰) | - |
|---|
| 分辨率(方位) | - |
|---|
| 有效直径 | - |
|---|



0755 84689265 手机/微信:18320955412 QQ:2423332841 邮箱:2423332841@qq.com