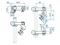
SIGMA西格玛 BSR-25 光轴变换件
◦可选用另售的不同高度的立柱,扩大调整范围。
WEB参照/カタログコードW6053
◦把另售的反射镜(φ25mm以下,厚5mm)粘接到镜架上使用。
◦镜架不仅可改变光轴高度,也可调整反射镜位置(立柱半径50mm圆周上),或粗调反射镜方向,调整后用锁紧机构可牢固固定其位置。
◦出射侧的反射镜有调整旋钮,可调整出射光束的角度。
更多信息| 目录编号 | W4013 |
|---|
| RoHS | 是 |
|---|
| CE | 否 |
|---|
| 资料下载 |
|
|---|
| 图纸下载 |
|
|---|
| 信息 | ▶照片为组合使用了安装板(BS P-70170),立柱(PO -20 -200)和反射镜(TFA-30C05-10)的情形。 ▶也可提供入射方(下侧)的反射镜角度调整部件。 |
|---|
| 注意 | ▶如图所示,两个镜片的出射方向的特定组合,可将激光器的偏光方向改变90度。 ▶选配时,请注意以下条件:入射光轴高度58mm以上、出射光轴高度高于入射光轴20mm以上、立柱长度要比出射轴高度长70mm以上。 |
|---|
| 3D_CAD |
|
|---|
| 自重 | 0.4kg |
|---|
| 主要材料 | 铝合金 |
|---|
| 适用元器件外径 | <□25mm/<φ25mm |
|---|
| 适用元器件厚度 | 3~5mm |
|---|
| 表面处理 | 黑色氧化 |
|---|

