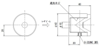
SIGMA西格玛 BD-40-UU 光束扩散器
- 入射激光光束照射到一个圆锥顶面上被散射,返回的杂散光很少。
- 小光束(φ5mm以下)时请选用BD-40,大光束(φ30mm以下)时请选用BD-80。
更多信息| 目录编号 | W4050 |
|---|
| RoHS | 是 |
|---|
| CE | 否 |
|---|
| 资料下载 |
|
|---|
| 图纸下载 |
|
|---|
| 信息 | - 备有光路切换式快门和光束扩散器组合在一起的高功率激光快门(SHPS)。
|
|---|
| 注意 | - 用于高功率激光的时候,光束扩散器的温度会变得非常高。请注意不要直接触摸光束扩散器。
- 激光脉冲的功率过高时,圆锥面上的表面处理会脱落。此时,散射光量也许会有所增加,但只要圆锥部没有明显变形,基本不影响光束扩散器的性能。
- 高功率脉冲激光反复射入光束扩散器时,可能会出现金属撞击似的声音。这是金属表面的激光转换成热能时产生的冲击波而引起的,并不是光束扩散器的损坏而引起的。
|
|---|
| 入射口径 | φ10mm |
|---|
| 自重 | 0.15kg |
|---|
| 主要材料 | 铝合金 |
|---|
| 表面处理 | 黑色氧化 |
|---|
0755 84689265 手机/微信:18320955412 QQ:2423332841 邮箱:2423332841@qq.com