SIGMA西格玛 MAD-50-25 外径适配器
◦可用于MHAN、MHA、LMHA、MHB、LMHB镜架
◦φ30mm型部件内加工了螺纹,可直接拧到镜架上。Φ50mm型的话,需要使用螺纹环固定。
更多信息| 目录编号 | W4109 |
|---|
| RoHS | 是 |
|---|
| CE | 否 |
|---|
| 图纸下载 | DXF STP IGES SAT |
|---|
| 信息 | ▶备有MHG镜架用同类部件(MHG-MAD)。 WEB参照/カタログコードW4004 ▶我们还承接非标尺寸的定制。欢迎咨询。 |
|---|
| 注意 | 和万向式镜架配合使用时,其反射镜面的位置不再在转动调整中心了。 ▶安装时,请先将镜片安装到适配部件内,然后再将其装到镜架中。适配部件和镜架安装在一起的状态下时,无法更换镜片。 |
|---|
| 3D_CAD |
|
|---|
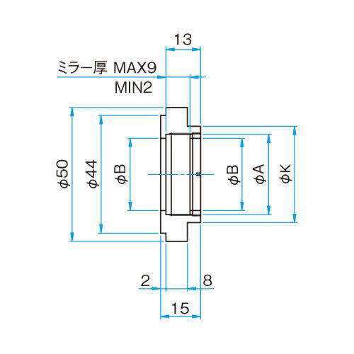
| 技术指标 | | 适用元器件外径 φA | φ25mm | | 适用元器件厚度 | 9mm | | 有效直径 φB | φ22mm | | φK | φ44mm | | 自重 | 0.05kg | | 主要材料 | 铝合金 | | 表面处理 | 黑色氧化 |
|
|---|



0755 84689265 手机/微信:18320955412 QQ:2423332841 邮箱:2423332841@qq.com