SIGMA西格玛 C30-SM3H-25.4UU 笼式用镜片侧入式镜架(3点支撑)
◦ 笼式系统中,有使用φ6mm专用导杆的□32mm方形配置(C32系列)的尺寸系列,还有□30mm方形配置(C30系列)和□60mm方形配置(C60系列)的规格。之外,还有更小型化的,使用φ4mm导杆的□16mm方形配置(C16系列),共4种规格。
◦ 笼式系统中使用的固定板有2种类型,侧面追加型和端面插入型。侧面追加型,可在成形的系统下追加或拆卸,但端面插入型不能如此使用、但具有更好的牢靠度。
◦ 固定板可在光轴方向沿导杆滑动,所以,不需要使用平台便可实现透镜,或摄像头的对焦。
更多信息| 目录编号 | W4797 |
|---|
| RoHS | 是 |
|---|
| CE | 否 |
|---|
| 图纸下载 |
|
|---|
| 信息 | ▶如需要在其他部件上固定笼式结构,或网站上没有登载的零部件时,请垂询。 ▶关于使用笼式结构的光学系统,请来信垂询。 |
|---|
| 注意 | ▶假如紧固力过大,或各处的紧固力差异过大的话,也许会影响导杆的插入和安装。 ▶组装时,请别一下子拧紧螺钉。等整体结构组装成形后,顺序逐步均衡紧固各处螺钉。 ▶假如光学系统过大过长过细的话,支架也许会变形或震动,导致光学系统不稳定。| 组装 | 从导杆的侧面插入 |
|---|
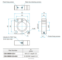
| 光学镜片的固定方法 | 3点支撑 |
|---|
| 适用元器件外径 | φ25.4mm |
|---|
| 导杆直径(间距) | φ6mm (30x30mm) |
|---|
| 自重 | 0.01kg |
|---|
| 主要材料 | 铝合金 |
|---|
| 适用元器件厚度 | 4~10mm |
|---|
| 表面处理 | 黑色氧化 |
|---|
| 有效直径 | φ22mm |
|---|
|
|---|
0755 84689265 手机/微信:18320955412 QQ:2423332841 邮箱:2423332841@qq.com