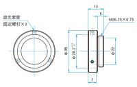
SIGMA西格玛 C30-LST-28-ADP 笼式遮光管用适配器
0755 84689265 手机/微信:18320955412 QQ:2423332841 邮箱:2423332841@qq.com