SIGMA西格玛 LMHA-50 上方调节万向式镜架
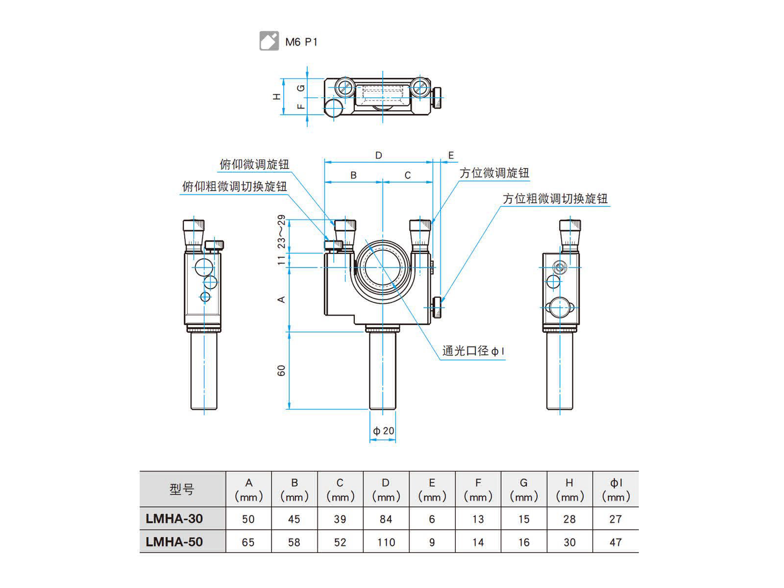
◦使用螺纹环从镜片反面固定,所以,即使镜片的厚度不同,都能保证反射面的位置在角度调整的中心处。
◦万向式镜架结构,加上粗微调切换机构、可方便地实现反射光束的精密角度调整。
更多信息| 目录编号 | W4505 |
|---|
| RoHS | 是 |
|---|
| CE | 否 |
|---|
| 图纸下载 |
|
|---|
| 信息 | ▶标准配置是和立柱RO-20-60(外径φ20mm长60mm)配合使用。但也可更换为其他尺寸的立柱。更换立柱时,通常需要使用其他工具,比如老虎钳等。 在购买镜架时,客户可指定立柱的长度。更改立柱长度通常是免费的。但如果更改前后的立柱长度相差太大的话,也会收取一定的差额费用的。详情请咨询。 ▶备有低光轴的上方调节万向式镜架(BSHL)WEB参照/カタログコードW4012。 |
|---|
| 注意 | ▶45度入射时,透过光会被部分遮挡,透过光束尺寸会变小。另外还备有容易得到较大透过光束直径的万向式镜架(BHAN)。 WEB参照/カタログコードW4011 ▶调整完后,请注意不要忘记紧固切换钮。 万一忘记了紧固切换钮的话,镜架会动,调好的光路就会被破坏了。 |
|---|
| 技术指标 | | 主要材料 | 铝合金 | | 表面处理 | 黑色氧化 | | 适用元器件外径 | φ50 mm | | 适用元器件厚度 | 3~11 mm | | 调整范围俯仰 | ±4° | | 调整范围方位 | ±4° | | 分辨率俯仰 | 约0.6°/周 | | 分辨率方位 | 约0.4°/周 | | 自重 | 0.88 kg |
|
|---|



0755 84689265 手机/微信:18320955412 QQ:2423332841 邮箱:2423332841@qq.com