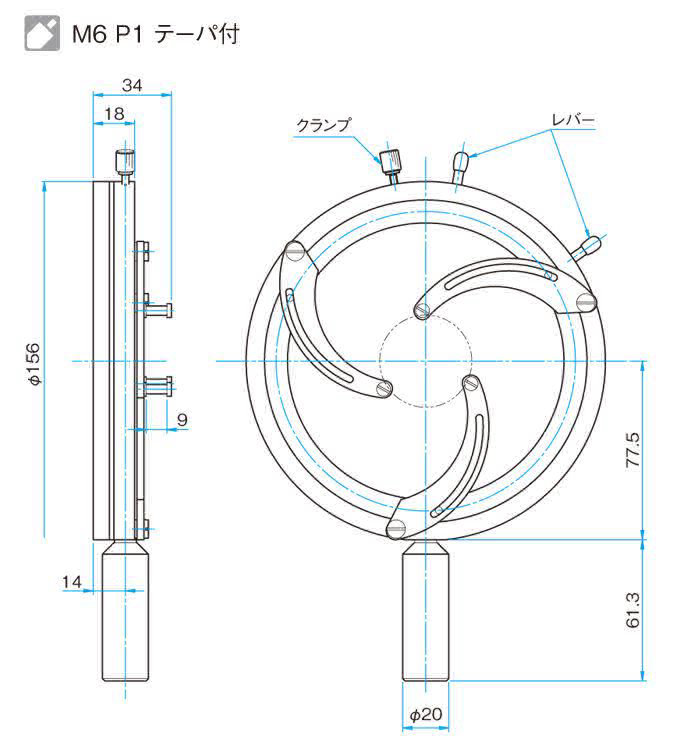
SIGMA西格玛 SLH-120 同轴镜架
◦同轴镜架上的三只爪臂与透镜的侧面接触,利用弹簧力固定透镜。
◦压近两个手柄,则三只爪臂会被打开。放松手柄时,三只爪臂则会自动闭合。
◦利用锁紧机构可以固定三只爪臂的位置。
更多信息| 目录编号 | W4019 |
|---|
| RoHS | 是 |
|---|
| CE | 否 |
|---|
| 资料下载 |
|
|---|
| 图纸下载 |
|
|---|
| 信息 | ▶承接定制更改立柱长度。(如订货时指定了立柱长度的话,我们负责更换长度后出货。)立柱长度相差大,也许会收取一定的差额费用,详情请咨询。 ▶另外,如果希望更换大倒角的立柱的话,这是收费项目了,详情请咨询。 |
|---|
| 注意 | ▶在固定较薄的透镜时,弹簧力压力可能引起透镜倾斜,甚至可能导致透镜从镜架上掉落。所以在固定透镜时请慎重。 ▶利用此镜架固定透镜时,其中心位置会发生微小偏移的。如果是用于精密测量等,请使用可以十字方向精密调芯的镜架。 WEB参照/カタログコードW4016-2 |
|---|
| 3D_CAD |
|
|---|
| 技术指标 | | 主要材料 | 铝合金 | | 表面处理 | 黑色氧化 | | 适用元器件外径 | φ40~φ110 mm | | 适用元器件厚度 | 1~9 mm | | 自重 | 0.7 kg |
|
|---|



0755 84689265 手机/微信:18320955412 QQ:2423332841 邮箱:2423332841@qq.com