SIGMA西格玛 CU-036 积木式倾斜滤光片镜架
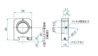
可倾斜4.6度安装直径25.4mm和25mm滤光片的镜架。倾斜滤光片的角度后,可防止镜面正反射到光源侧。小型光具座底面算起的光轴高30mm。
更多信息| RoHS | 是 |
|---|
| CE | 否 |
|---|
| 图纸下载 |
|
|---|
| 信息 | ▶欢迎来函咨询采用积木式系列产品搭建光学系统的更多细节。 |
|---|
| 注意 | ▶滤光片镜架固定较薄的滤光片时,滤光片会动,会造成光轴的微小偏移。在精密的光学实验中,推荐选用适配器(FAD)固定滤光片。 |
|---|
| 最大安装数量 | 1枚 |
|---|
| 自重 | 0.045㎏ |
|---|
| 主要材料 | アルミ |
|---|
| 适用元器件外形尺寸 | φ25.4mm |
|---|
| 适用元器件厚度 | 1~6mm |
|---|
| 表面处理 | 黒アルマイト |
|---|
| 有效直径 | φ21mm |
|---|
0755 84689265 手机/微信:18320955412 QQ:2423332841 邮箱:2423332841@qq.com