SIGMA西格玛    REP-70P    重复定位板(上板)
  • SIGMA西格玛    REP-70P    重复定位板(上板)

SIGMA西格玛 REP-70P 重复定位板(上板)

SIGMA西格玛    REP-70P    重复定位板(上板)

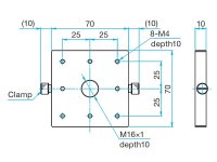
◦只需将嵌入在下板中的3个钢球对准上板上的孔,即可进行高精度的位置复原。
◦备有强力磁力型和螺纹固定型两种
◦REP系列(□25,40,60mm)的磁力型,结合力强,便于交换,再现性误差小于100μrad。
◦请务必用螺栓固定下板。
更多信息
目录编号W6031
RoHS
CE
资料下载
图纸下载
信息▶可提供能直接安装镜架的光路切换器(FMB-40)(WEB参照/カタログコードW4006)。
▶备有样本所记载规格以外的上面板。
注意▶REP系列(□25,40,60mm)为磁力固定型,承受偏载能力较弱。使用时请尽量把物体重心放在定位板的中心处。
技术指标
主要材料铝合金
表面处理黑色氧化
自重0.38 kg








0755 84689265 手机/微信:18320955412  QQ:2423332841  邮箱:2423332841@qq.com
常见问题1 2 3
本站使用百度智能门户搭建 管理登录