SIGMA西格玛 CU-021 载物台mini
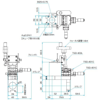
小型倒置显微镜系统Cumini专用载物台。由载玻片固定平台,XYZ手动平台及固定件构成。
更多信息| RoHS | 是 |
|---|
| CE | 否 |
|---|
| 图纸下载 |
|
|---|
| 信息 | ▶可固定尼康的物镜(M25×0.75螺纹)。通过与铝合金小型导轨(OBS-50G, OBS-120G, OBS-200G, OBS-300G)和∑立方体(CU-010, CU-011)配合使用,可搭建小型倒置显微镜。 |
|---|
| 注意 | ▶Cumini系列专用。不可用于CU-000或搭建好的积木式显微镜(标准版)。 |
|---|
| 调整范围/X | ±6.5mm |
|---|
| 调整范围/Y | ±6.5mm |
|---|
| 调整范围/Z | ±6.5mm |
|---|
| 适用安装 | M25×0.75 |
|---|
| 自重 | 0.98kg |
|---|
| 调整轴数 | 3軸 |
|---|
0755 84689265 手机/微信:18320955412 QQ:2423332841 邮箱:2423332841@qq.com