SIGMA西格玛 MHX-101.6A 高稳定不锈钢镜架
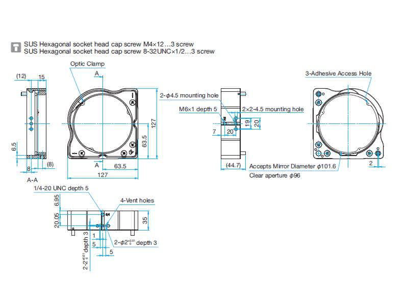
- 反射镜从镜架侧面3点固定,其中包含使用紧定螺钉调节片弹簧压力以进行锁紧的固定点。
- 请将镜片的反射面朝前,从镜架MHX-25.4F-R的后侧装入固定。如此结构保证不同厚度的镜片的反射面的位置相同,都处于立柱轴线。(MHX-***F/A系列镜架,是从镜架前面装入的。MHX-12.7F-R镜架虽从后侧装入,但不能连接立柱。
- MHX-***F/F-R系列有3个调整旋钮,既可调整俯仰・方位的角度,还可调节镜面的前后位置。(MHX-***A系列只有2个调整旋钮,只能调整俯仰和方位的角度。)
- 同时备有粘接法固定镜片用孔,还备有防止转动等的定位销用孔。
- 镜架采用了高密度高强度的不锈钢材料,具有高刚性、高稳定性。
更多信息| 目录编号 | W4055 |
|---|
| RoHS | 是 |
|---|
| CE | 否 |
|---|
| 资料下载 |
|
|---|
| 图纸下载 |
|
|---|
| 信息 | - MHX专用扳手和锁紧板的安装方法。
- 请使用六角扳手调整俯仰和方位等。仅用手是无法拧的。也可另购MHX-12.7用的内六角旋钮
另外,也欢迎选购可替代使用的MHX专用扳手 - 备有调整好角度后的锁紧用,MHX用锁紧板
|
|---|
| 注意 | - MHX-25.4/50.8不能连接M6螺纹的立柱(RO)。如希望使用立柱的话,请使用M4,或8-32 UNC螺纹规格的立柱(ROC,RO-UU)。MHX-12.7无法连接头部是螺纹的立柱。MHX系列都可以用M4或8-32UNC螺钉固定于带有相应螺纹孔的立柱或转换板上。(MHX-12.7的话,请使用附属的小头螺钉。)
- 使用立柱固定的螺纹孔规格有2种,各1个,所以,使用立柱固定时,镜架不能反手对称安装。
但,备有2个对称的通孔,可使用M4螺栓,实现对称固定。 - 用于搭建迈克尔逊干涉仪等,需要半透半反的十字交叉光束的光学系统时,其有效口径会变小。
|
|---|
| 镜片 装入方向 | 从前侧装入 |
|---|
| 自重 | 1.13 kg |
|---|
| 主要材料 | 不锈钢 |
|---|
| 调整轴数 | 2 轴 |
|---|
| 调整范围(俯仰) | ±2 ° |
|---|
| 调整范围(方位) | ±2 ° |
|---|
| 适用元器件外径 | φ101.6 mm |
|---|
| 表面处理 | 无 |
|---|
| 分辨率(俯仰) | 约0.13 °/周 |
|---|
| 分辨率(方位) | 约0.13 °/周 |
|---|
| 有效直径 | φ96 mm |
|---|






0755 84689265 手机/微信:18320955412 QQ:2423332841 邮箱:2423332841@qq.com