SIGMA西格玛 FM-25.4 柔性铰链2维可调镜架
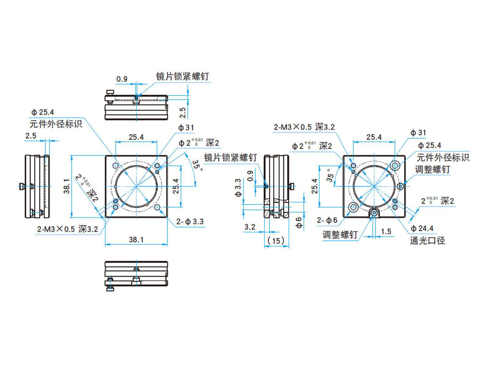
- FM系列镜架有2大类,一种是可在前后两个方向在光轴方向安装的方块型,另一类附带支架,其镜片表面和镜架安装面垂直,概要如下图。
- FM的前板或后板都能安装镜片,而且可选从镜片的反射面侧或安装面侧进行角度调整。
- 2个不同类型的镜架,都是使用2个M3螺钉固定。
- 推荐使用镜架侧面的3处树脂螺钉固定镜片。但同时,也备有用于粘接用的φ1.5mm的工艺孔。
- FM的前后两面,FM-L的底部,均备有φ2mm的定位销孔。
更多信息| 目录编号 | W4160 |
|---|
| RoHS | 是 |
|---|
| CE | 否 |
|---|
| 资料下载 |
|
|---|
| 图纸下载 |
|
|---|
| 信息 | - 承接定制此柔性铰链镜架固定用底板。
- FM可以使用调整侧的 M3(2处)螺孔和反面的M3螺孔(2处),以及M3螺钉(2根)用通孔(φ3.3mm)安装固定。使用通孔固定时,建议使用φ4.5mm以下的小头M3螺钉。
- FM-L柔性铰链镜架
|
|---|
| 注意 | - 镜框之间的柔性铰链采用焊接工艺制造,所以侧面可见多处焊点
- 固定FM-L时,需用特殊短头的L型内六角扳手。如手头只有普通扳手的话,可把镜架从支架上拆下,先把支架固定到底座后,再装回镜架部分。另外,也可将镜架部分安装到支架的另一侧,使用普通的内六角扳手和底座的安装了。
- 固定镜架用M3螺钉不是附属品,请用户自己准备。
- FM和FM-L非常适用0°入射光束,但不建议用于同时要求透过的45°入射用途。
|
|---|
| 自重 | 0.069 kg |
|---|
| 主要材料 | 不锈钢 |
|---|
| 调整轴数 | 2 轴 |
|---|
| 调整范围(俯仰) | ±1.5 ° |
|---|
| 调整范围(方位) | ±1.5 ° |
|---|
| 适用元器件外径 | φ25.4 mm |
|---|
| 适用元器件厚度 | > 2 mm |
|---|
| 表面处理 | 无 |
|---|
| 分辨率(俯仰) | 约0.42 °/周 |
|---|
| 分辨率(方位) | 约0.42 °/周 |
|---|
| 有效直径 | φ24.4 mm |
|---|


0755 84689265 手机/微信:18320955412 QQ:2423332841 邮箱:2423332841@qq.com