SIGMA西格玛 SPH-50-ARS 偏光镜镜架
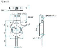
◦SPH型偏光镜镜架具有微调机构,可精密调整偏光板,得到更高的消光状态。
◦PH,SPH型偏光镜镜架的刻度盘可自由转动,方便偏光轴或晶轴方向的调整。
◦SPH型偏光镜镜架的安装方向可以改变90度,可方便地更改为侧面微调或读取刻度。
◦SPH型偏光镜镜架具有微调锁紧机构,可避免调整后的误动作。
◦使用螺纹环和树脂垫圈固定元件。
◦MPH型偏光镜镜架适用于小型化的光学系统或在狭小空间使用。
更多信息| 目录编号 | W4027 |
|---|
| RoHS | 是 |
|---|
| CE | 否 |
|---|
| 资料下载 |
|
|---|
| 图纸下载 |
|
|---|
| 信息 | ▶可定制目录中没有的非标尺寸用的类似镜架。 ▶PH和SPH型偏光镜镜架可以卸下镜框改换为偏光棱镜适配器。 WEB参照/カタログコードW4028 ▶承接定制更改立柱长度。(如订货时指定了立柱长度的话,我们负责更 换长度后出货。)立柱长度相差大,也许会收取一定的差额费用,详情请咨询。 |
|---|
| 注意 | ▶PH和SPH型偏光镜镜架,如卸下立柱使用M6螺栓固定时,螺栓的该螺纹部不能超过5mm。 如果螺纹部太长,螺栓的顶端会与镜架的旋转机构干涉,导致镜架无法平滑旋转。 |
|---|
| 技术指标 | | 主要材料 | 铝合金 | | 表面处理 | 黑色氧化 | | 适用元器件外径 | φ50 mm | | 适用元器件厚度 | 2~10 mm | | 有效直径 | φ46 mm | | 微调范围 | ±3° | | 游标最小刻度 | 5′ | | 微分头刻度 | 约0.012°/DIV | | 自重 | 0.46 kg |
|
|---|
0755 84689265 手机/微信:18320955412 QQ:2423332841 邮箱:2423332841@qq.com