SIGMA西格玛 MHDM-150 万向式大型自动镜架
- 在镜片插入侧,用3个头部为树脂的螺栓压住镜片,可很方便地固定不同厚度的镜片。
- 镜架的俯仰方向可粗调,而且,在360°的任意位置都可被锁定。
- 更换附属的顶针,可方便地固定尺寸相近的公制或英制尺寸镜片。
更多信息| 目录编号 | W9111 |
|---|
| RoHS | 是 |
|---|
| CE | 是 |
|---|
| 资料下载 |
|
|---|
| 图纸下载 |
|
|---|
| 信息 | - 连接控制器的2根D15D15A电缆 (比如,D15D15A-CA-3),需要另购。
- 请根据需要选用附属的电缆固定用零件。
- 如需要更改为垂直方向安装使用的话,请垂询。
- 另备有手动调整的万向式大型精密镜架 (MHD系列)。
- 承接定制非标尺寸的自动镜架,详细信息欢迎垂询。
|
|---|
| 注意 | - 装卸镜片前,请先使用扳手卸下镜片压块部。
- 固定镜片的树脂螺栓不要拧得过紧。否则,容易导致镜片变形,面精度变差。
- 在松开粗调的锁紧时,一定要把持住镜框。
|
|---|
| 技术指标 |
| 电机 |
|---|
| 精度技术指标 |
|---|
| 机械技术指标 |
|---|
|
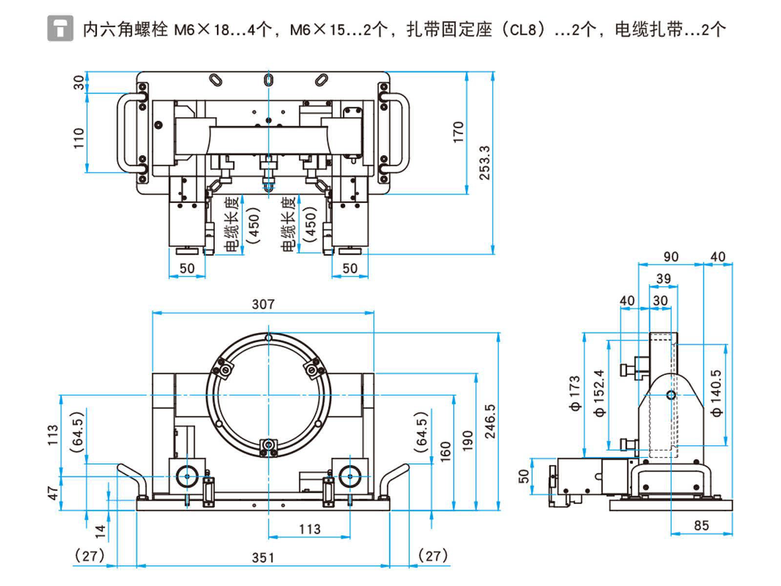
| 适用元器件外径 | φ150 mm, φ152.4 mm | | 适用元器件厚度 | 5~28 mm | | 光轴高度 | 160 mm | | 调整范围 ( 俯仰 ) | ±4.5° | | 调整范围 ( 方位 ) | ±4.5° | | 主要材料 | 铝合金 | | 表面処理 | 黑色氧化 | | 自重 | 11 kg | | 分辨率 ( 整步 ) | 3.6" | | 分辨率 ( 半步 ) | 1.8" | | 最大速度 | 2.0 deg/sec | | 重复定位精度 | 0.05 deg | | 空行程 | 0.05 deg | | 最小位移量 ( 参考数据 ) | 0.5 mdeg | | 承载能力 | 9.8N ( 1.0 kgf ) | | 类型 | 5相步进电机 0.75 A/相 | | 型号 | PK545-NBW ( □42mm ) ( Oriental Motor Co., Ltd. ) | | 基本步距角 ( ° ) | 0.72° |
|
|---|



0755 84689265 手机/微信:18320955412 QQ:2423332841 邮箱:2423332841@qq.com