MORITEX茉丽特 MML1-ST110 远心镜头
主要应用

- 对位

- 零件识别检测
产品描述

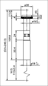
规格- 规格
- MML1-ST110
- 同轴光
- -
- 倍率
- 1.00±5%
- WD (mm)
- 113
- 分辨率 (μm)
- 14
- 景深 (mm)
- 1.67
- NA
- 0.024
- 有效F数
- 20.9
- 畸变 (%)
- 0.153
- 重量(g)
- 50
- 最大可兼容芯片尺寸
- 1/2"type
- 接口
- C
* 成像侧允许弥散圆直径为40μm.
* 分辨率值指波长550nm时的理论值.
外观图
0755 84689265 手机/微信:18320955412 QQ:2423332841 邮箱:2423332841@qq.com