SIGMA西格玛 LHF-UDL-40-N 固定式聚光透镜镜架
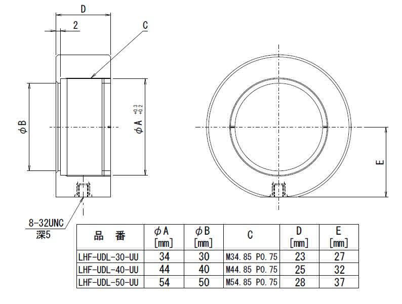
◦加工了内螺纹,便于安装各种尺寸的聚光透镜。选购时,请参照下面的聚光透镜对应镜架一览表。
更多信息| 目录编号 | W4023 |
|---|
| RoHS | 是 |
|---|
| CE | 否 |
|---|
| 资料下载 |
|
|---|
| 图纸下载 |
|
|---|
| 信息 | ▶聚光镜的详细数据请参考 光学元器件>ME光学>聚光镜 WEB参照/カタログコードW3078 ▶保护镜和保护镜镜架的详细数据请参考 光学元件>ME光学>聚光镜 WEB参照/カタログコードW3081-1 ▶承接定制更改立柱长度。(如订货时指定了立柱长度的话,我们负责更换长度后出货。)立柱长度相差大,也许会收取一定的差额费用,详情请咨询。 |
|---|
| 3D_CAD |
|
|---|
| 技术指标 | | 主要材料 | 铝合金 | | 表面处理 | 黑色氧化 | | φA | φ66 mm | | B | 32 mm | | C | M44.85 P0.75 | | D | 25 mm | | E | 40 mm | | F | 44 mm | | 自重 | 0.13 kg |
|
|---|



0755 84689265 手机/微信:18320955412 QQ:2423332841 邮箱:2423332841@qq.com