MORITEX茉丽特 ML-Z07545HR 远心镜头
主要应用

- 高精定位及字符识别

- 表面检测

- 测量
产品描述
![]()
规格- 规格
- ML-Z07545HR
- 倍率[x]
- 0.75-4.5(变位范围6:1)
- O/I [mm]
- 303.9
- WD[mm]
- 70.9
- 分辨率[μm]
- 3.9
- 景深[mm]
- 0.2
- NA
- 0.09
- 有效F#
- 12
- 最大像面[mm]
- 8
- TV畸变[%]
- ≤0.007
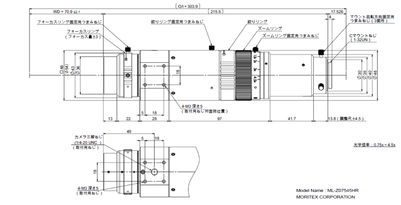
外观图
0755 84689265 手机/微信:18320955412 QQ:2423332841 邮箱:2423332841@qq.com