日本NED RMSL2K125CL     线扫描相机

内部规格

像素数
2048像素
单色/彩色
单色
像素尺寸 HxV (μm)
14 x 14 微米
元件长度(毫米)
28.672毫米
数据速率(兆赫)
320兆赫
位深度
8, 10
输出频率
40 | 80MHz
水龙头
2, 4, 8
灵敏度 (V/[lx・s])typ.
90 (V/[lx・s])
*模拟5V输出转换值
增益调节范围
*模拟放大器+数字
x1、x2、x4、x8、x10、x18
x1 ~ x2(512 步)
数字偏置调整范围(DN)
-40 ~ 40 (161 步) Mono8
-160 ~ 160 (161 步) Mono10

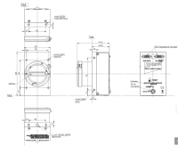
外形规格

外形尺寸宽x高x深(mm)
C 接口:60 x 100 x 44.9 毫米
F 接口:60 x 100 x 74.1 毫米
重量(克)
C 接口:375 克
F 接口:450 克
镜头卡口
中、前

输出格式和连接器

输出格式
Camera Link 基本配置(8 或 10 位 2Tap)
Camera Link 中等配置(8 或 10 位 4Tap)
Camera Link 完整配置(8 位 8Tap)
Camera Link Deca 配置(10 位 8Tap)
控制输入端口
CC1:触发信号
CC3:扫描方向控制
CC2,4:未使用
连接器
数据、控制:
电源供应:
3M S DR26[迷你相机连接] x 2
广濑:HR10G(6针)

电源及运行环境

电源电压(V)
DC12至15[±5%]V
电流消耗 (mA) 典型值
540毫安
工作温度范围(℃)
0~50℃
*1 DN:数字(10 位:0-1023)
*2 室温测量值

0755 84689265 手机/微信:18320955412  QQ:2423332841  邮箱:2423332841@qq.com

常见问题1 2 3
本站使用百度智能门户搭建 管理登录