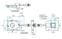
SIGMA西格玛 C60-SSH-25IR 叶片式自动光阑
◦旋转控制器(SSH-C1IR)上的旋钮(Iris VR)可自由调节光阑孔径。
◦旋转旋钮(Iris VR)到Close位置时可完全关闭光阑。
◦可用立柱固定,也可直接安装到笼式系统中使用。
◦需要配合专用控制器SSH-C1IR和专用电缆SSH-AIR-CA-2,才能正常工作。
更多信息| 目录编号 | W4053 |
|---|
| RoHS | 是 |
|---|
| CE | 否 |
|---|
| 资料下载 |
|
|---|
| 图纸下载 |
|
|---|
| 信息 | ▶请和专用控制器(SSH-C1IR)及电缆(SSH-AIR-CA-2)配合使用。▶另备有形状相同,但叶片材质为不锈钢的(C30-SSH-25IRS),适用于高功率激光。 |
|---|
| 注意 | ▶用于可见光波长时,大约可耐1mW/mm2(CW、经验值),但入射光功率不可超过5mW。光功率(或功率密度)超过了前述经验值了的话,我们建议客户自己实际试用后自行判断。我们可提供用于评估的快门叶片的实物样品,欢迎垂询。 ▶此系列自动光阑,不适用于高功率激光,或单脉冲能量很高的激光。 ▶不能和快门控制器(SSH-C2B、SSH-C4RA、SSH-C1RA、SSH-C1RA-H)一起使用。 |
|---|
| 参考 | ▶(实例)经功率和光束直径分别为20mW和0.7mm(功率密度约为50mW/mm2)的CW可见光激光照射后,未发现叶片损伤。 |
|---|
| 适用尺寸 | C30、C60 |
|---|
| 最小开口径 | 0mm |
|---|
| 最大开口径 | 25.5mm |
|---|
| 自重 | 0.218㎏ |
|---|
| 周围湿度 | 20~80%RH(不结露) |
|---|
| 动作温度 | 5~40℃ |
|---|
| 保管温度 | -20~60℃ |
|---|
0755 84689265 手机/微信:18320955412 QQ:2423332841 邮箱:2423332841@qq.com