SIGMA西格玛 MMH-50H 2维可调小型镜架
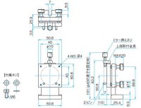
◦使用镜片固定螺栓可以固定φ40mm的器件。
◦拆掉其面上的零件的话,最大可以固定50mm边长左右的正方形反射镜。
更多信息| 目录编号 | W4009 |
|---|
| RoHS | 是 |
|---|
| CE | 否 |
|---|
| 图纸下载 |
|
|---|
| 信息 | ▶备有□50mm的正方形铝膜反射镜(TFA-50S08-10)。 WEB参照/カタログコードW3403 |
|---|
| 注意 | ▶此2维调整镜架的微调转动中心不正好在镜面上。 备有其调整转动中心在镜面上的万向式镜架(MHAN)。 WEB参照/カタログコードW4010 |
|---|
| 3D_CAD |
|
|---|
| 技术指标 | | 主要材料 | 铝合金 | | 表面处理 | 黑色氧化 | | 类型 | 2维可调的 | | 适用元器件外形尺寸 | <□50 mm/φ40 mm | | 调整范围 ( 俯仰 ) | ±4° | | 调整范围 ( 方位 ) | ±4° | | 分辨率 ( 俯仰 ) | 约0.38°/周 | | 分辨率 ( 方位 ) | 约0.38°/周 | | 自重 | 0.2 kg |
|
|---|



0755 84689265 手机/微信:18320955412 QQ:2423332841 邮箱:2423332841@qq.com