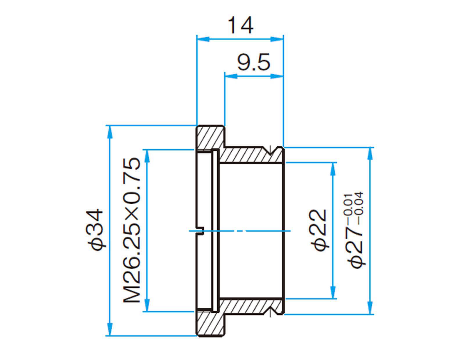
SIGMA西格玛 ADP-26.25-CACM M26.25-CACM螺纹变换件
将常见的多镜片镜头的安装螺纹规格(M22、M28、M34,和M26.25)变换为C接口或SM1(1.035"-40.0TPI)规格 。
当然,只要螺纹尺寸规格匹配,也可被用于其他产品的固定安装。
另外,我们还备有接插C接口的适配器(CACM 系列),和物镜螺纹(φ26x0.706)的转换件。
更多信息| RoHS | 是 |
|---|
| CE | 否 |
|---|
| 图纸下载 |
|
|---|
| 信息 | 我们还承接不是规格产品(M22、M28、M34和M26.25)的螺纹规格(如M50.85 P0.75 等)的类似部件,欢迎垂询。 |
|---|
| 注意 | 采用这里介绍的安装方案时请注意:有些入射条件,也许会出现内部遮挡光线的情况。 |
|---|
| 技术指标 | | 透射直径 | φ22mm | | 长度 | 14mm | | 固定用螺纹 M | M26.25x0.75 | | 外径 | φ34mm | | 自重 | 0.009kg | | 主要材质 | 铝合金 | | 表面处理 | 黑色氧化 |
|
|---|


0755 84689265 手机/微信:18320955412 QQ:2423332841 邮箱:2423332841@qq.com