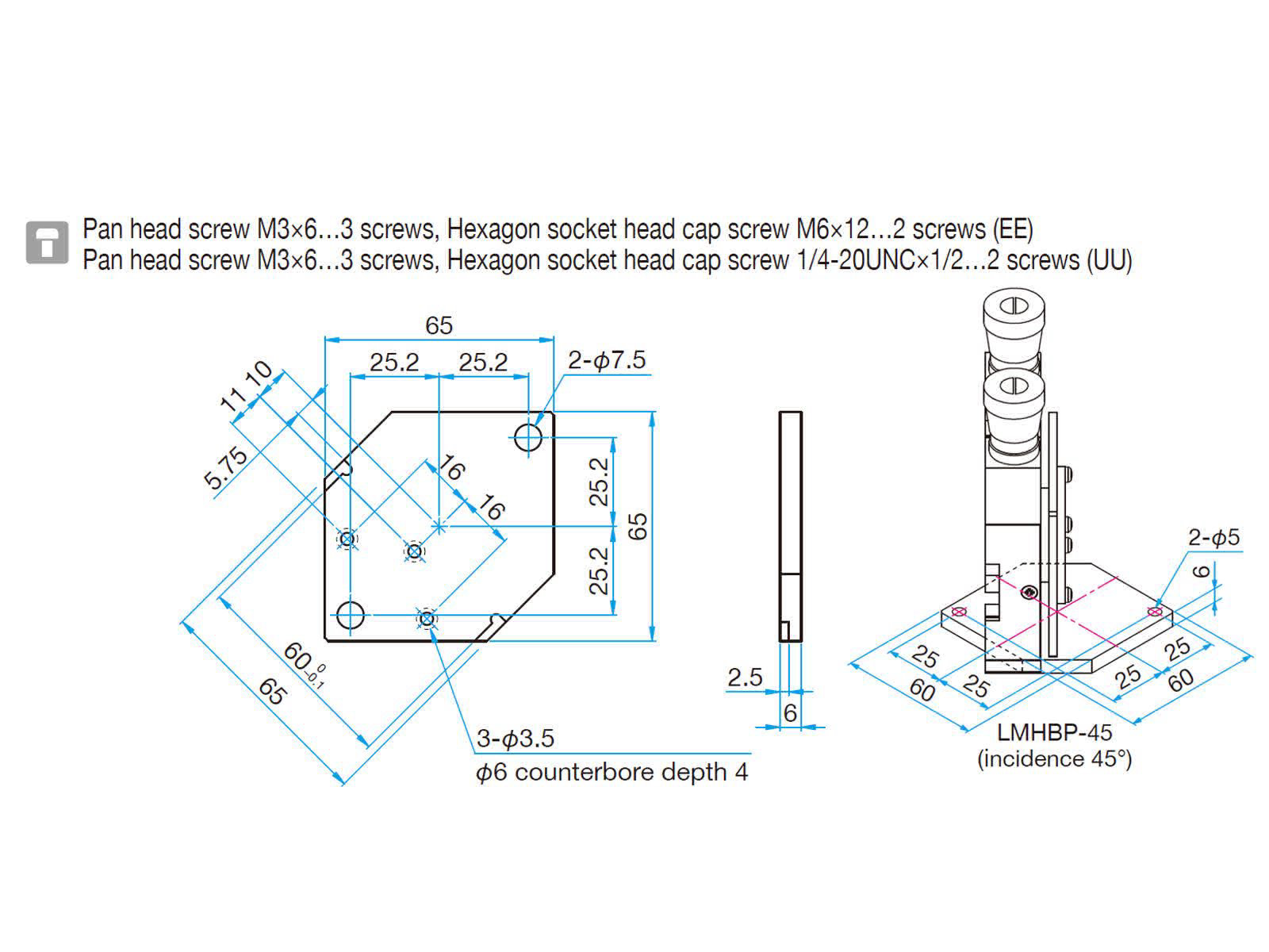
SIGMA西格玛 LMHBP-45UU 2维上方可调镜架用底板
◦更改固定LMHB的连接板的方向,就可或左或右地改变镜架的操作方向。
更多信息| 目录编号 | W4503 |
|---|
| RoHS | 是 |
|---|
| CE | 否 |
|---|
| 资料下载 |
|
|---|
| 图纸下载 |
|
|---|
| 3D_CAD |
|
|---|
| 类型 | 45°入射、インチネジ用 |
|---|
| 自重 | 0.05kg |
|---|
| 主要材料 | 铝合金 |
|---|
| 适用镜架 | LMHB-30M/50M/60M、LMHB-30DM/50DM/60DM |
|---|
| 表面处理 | 黑色氧化 |
|---|


0755 84689265 手机/微信:18320955412 QQ:2423332841 邮箱:2423332841@qq.com