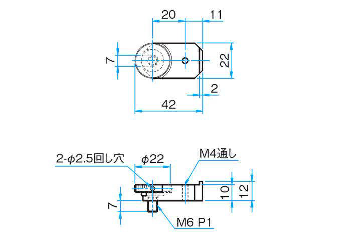
SIGMA西格玛 MHG-30BP 2维可调镜架用底板
◦使用立柱安装板时,光轴的高度会增高10mm。(MHG-12.7BPRO型是12.3mm)
◦使用厚度5mm的反射镜片时,反射面与安装中心的位置一致。如果反射镜片厚度不是5mm时,仍有剩余偏移量。
更多信息| 目录编号 | W4123 |
|---|
| RoHS | 是 |
|---|
| CE | 否 |
|---|
| 图纸下载 |
|
|---|
| 3D_CAD |
|
|---|
| 自重 | 0.035kg |
|---|
| 主要材料 | 铝合金 |
|---|
| 适用镜架 | MHG-MP25/HS25、MHG-MP30/HS30 |
|---|
| 表面处理 | 黑色氧化 |
|---|

0755 84689265 手机/微信:18320955412 QQ:2423332841 邮箱:2423332841@qq.com