SIGMA西格玛 MHG-50BPROE 立柱安装板
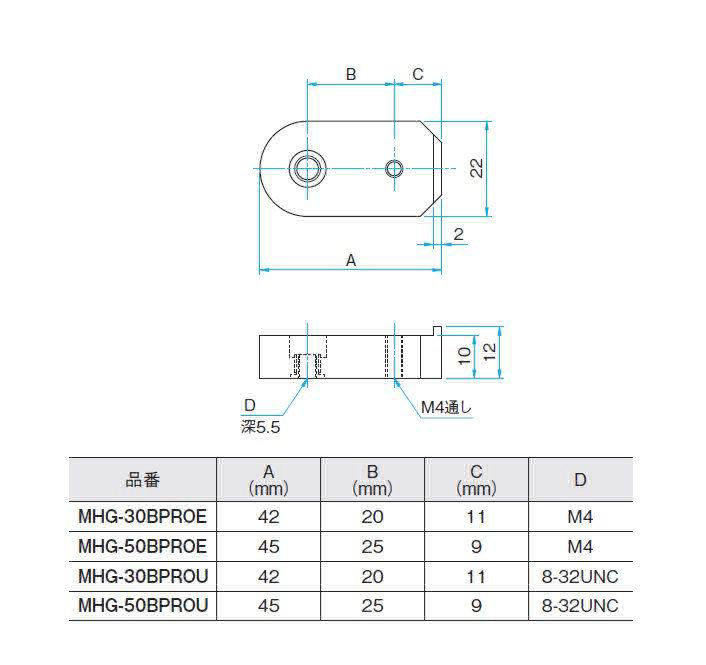
◦使用立柱安装板时,光轴的高度会增高10mm。(MHG-12.7BPRO型是12.3mm)
◦立柱安装板中,除M6螺钉立柱之外,还可用M4螺钉固定在平台或工作台上。
◦当将具有设计图厚度的反射镜用于固定器时,杆的安装中心和反射镜反射表面的中心将对齐。 如果使用蓝图中未显示的厚度的镜子,则会产生偏移量。
更多信息| 目录编号 | W4002 |
|---|
| RoHS | 是 |
|---|
| CE | 否 |
|---|
| 资料下载 |
|
|---|
| 图纸下载 |
|
|---|
| 3D_CAD |
|
|---|
| 技术指标 | | 主要材料 | 铝合金 | | 表面处理 | 黑色氧化 | | 适用镜架 | MHG-MP50/-MP50.8 | | 设计图镜厚度 | 8 mm | | 自重 | 0.025 kg |
|
|---|




0755 84689265 手机/微信:18320955412 QQ:2423332841 邮箱:2423332841@qq.com