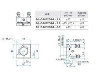
SIGMA西格玛 MHG-MP25-NL-UU NOMI LOCK™2维可调镜架
◦维可调镜架构造简单,刚性和稳定性好,被广泛用于干涉仪和激光谐振器内。
◦有高稳定型的MHG-HS,和量产型的MHG-MP的两个系列。
◦高稳定型的MHG-HS镜架的旋钮较大,除了两个调节点外,其支点也可以调节,可以调节反射镜在垂直方向的位置。
◦在干涉仪中使用NOMI LOCKTM时,其光轴变化可小于一个干涉条纹。(有个人差异)
◦采用侧面螺钉固定反射镜,容易调节紧固力的大小。
◦没有螺纹环等的制约,反射光束和透射光束都可获得更大的通光口径。
更多信息| 目录编号 | W4001 |
|---|
| RoHS | 是 |
|---|
| CE | 否 |
|---|
| 资料下载 |
|
|---|
| 图纸下载 |
|
|---|
| 信息 | ▶可在安装立柱(PST:另售)或安装顶端M6的立柱(RO:另售)。 ▶量产型(MHG-MP)可用M4的内六角螺栓直接固定在平台或其他台面上。 ▶量产型(MHG-MP)附带NOMI LOCKTM的专用锁定扳手。 |
|---|
| 注意 | ▶量产型(MHG-MP)的旋转中心在反射镜的外侧(镜架的支点处)。 ▶在平面上固定高稳定型的MHG-HS时,请使用专门的立柱安装板(MHG-**BPRO)。 WEB参照/カタログコードW4002 ▶使用了立柱安装板(MHG-**BPRO)后,光轴会增高10mm。 ▶反射镜镜架的限位是在反射镜的背面,所以反射镜的厚度不同时,反射面的位置也是不同的。 |
|---|
| 3D_CAD |
|
|---|
| 技术指标 | | 主要材料 | 铝合金 | | 表面处理 | 黑色氧化 | | 适用元器件外径 | φ25 mm, φ25.4 mm | | 适用元器件厚度 | 3~5 mm | | 调整轴数 | 2 | | 调整范围 ( 俯仰 ) | ±3° | | 调整范围 ( 方位 ) | ±3° | | 分辨率 ( 俯仰 ) | 约0.39°/周 | | 分辨率 ( 方位 ) | 约0.39°/周 | | 自重 | 0.12 kg |
|
|---|


0755 84689265 手机/微信:18320955412 QQ:2423332841 邮箱:2423332841@qq.com