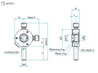
SIGMA西格玛 LHCM-12.7 小型可调芯镜架
◦可实现φ10mm〜φ50.8mm镜头的调芯。
◦也可固定调整较厚的消色差透镜。
◦镜架薄,容易实现光学器件的近接配置。
更多信息| 目录编号 | W4512 |
|---|
| RoHS | 是 |
|---|
| CE | 否 |
|---|
| 资料下载 |
|
|---|
| 图纸下载 |
|
|---|
| 信息 | ▶推荐选用燕尾槽平台或微分头驱动的平台调整透镜的焦面,或焦点位置。关于型号选择,欢迎咨询。 ▶另备有调芯分辨率高,调整轴可锁定的3轴可调镜架(ALHN-3RO)。 ▶还备有可调透镜角度的5轴可调镜架(ALHN-5RO)。 WEB参照/カタログコードW4016-2 ▶承接定制更改立柱长度。(如订货时指定了立柱长度的话,我们负责更换长度后出货。)立柱长度相差大,也许会收取一定的差额费用,详情请咨 询。 |
|---|
| 注意 | ▶如透镜的重量过大时,调整可能会比较困难。 |
|---|
| 技术指标 | | 主要材料 | 铝合金 | | 表面处理 | 黑色氧化 | | 适用元器件外径 φA | φ12.7 mm | | 适用元器件厚度 t | 1~8 mm | | 有效直径 φB | φ10 mm | | 光轴高度 C | 20 mm | | 调整范围 | φ2 mm | | 自重 | 0.05 kg |
|
|---|
0755 84689265 手机/微信:18320955412 QQ:2423332841 邮箱:2423332841@qq.com