SIGMA西格玛 C32-KNHM-30PDM 笼式倾斜调整支架 (压电驱动型)
- 型号末尾的-M/-PDM指明俯仰和方位调整用驱动器的种类,M代表手动调节微分头,PDM代表可远程控制的压电陶瓷驱动器。(俯仰和方位的角度调整范围都是±3°)
- 微分头和压电陶瓷驱动器可交换。
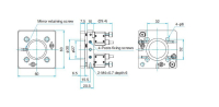
- 为了减小固定镜片时所产生的应力,反射镜从侧面3点固定,其中包括紧定螺钉。
- 因为不使用螺纹环,没有其内径的限制,反射镜的可利用孔径较大。
- 因为透过孔径较大,除反射镜外,也可用于固定其他光学元件。
更多信息| RoHS | 是 |
|---|
| CE | 否 |
|---|
| 图纸下载 |
|
|---|
| 信息 | - 支架侧面开有M4螺纹孔,因此除了笼式系统,也可将支架固定在各种接杆(如ROC,PST)上。
- 结构简单,经时变动与温度变动较小。
|
|---|
| 注意 | - 不同于MHG和MHG-NL系列,本产品没有驱动器的锁定机构。
- 假如紧固力过大,或各处的紧固力差异过大的话,也许会影响导杆的插入和安装。
- 组装时,请别一下子拧紧螺钉。等整体结构组装成形后,顺序逐步均衡紧固各处螺钉。
|
|---|
| 组装 | 从导杆端面插入 |
|---|
| 调整范围(俯仰) | ±3 ° |
|---|
| 调整范围(方位) | ±3 ° |
|---|
| 适用元器件外径 | φ30 mm |
|---|
| 导杆直径(间距) | φ6mm (32x32mm) |
|---|
| 自重 | 0.19 kg |
|---|
| 主要材料 | 铝 |
|---|
| 调整轴数 | 2 轴 |
|---|
| 适用元件厚度 | 3~6.5 mm |
|---|
| 表面处理 | 红色阳极氧化 |
|---|
| 有效直径 | φ27 mm |
|---|
0755 84689265 手机/微信:18320955412 QQ:2423332841 邮箱:2423332841@qq.com