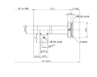
VST微视科 VS-TC8-40CO-LD 远心镜头
| 产品号 | VS-TC8-40CO-LD |
|---|
| 接口形式 | C |
| 倍率 | x8.0±5% |
| 实效F | 57.03 |
| 靶面 | 1/2" |
| 工作距离 | 38.7mm±1 |
| 物像间距离O/I | 131.5mm |
| NA | 0.07 |
| 分辨率 | 4.8µ |
| 景深 | 0.1mm |
| 滤镜尺寸 | — |
| 照明方式 | 同轴落射照式 |
| 外形尺寸 | Φ31mm x 75.3mm |
| 重量 | 50g |
| 产地 | 进口 |
| 品牌 | VST |
| 推荐等级 | ★★★★★ |
| 客户评价 | ★★★★★ |
| 特殊说明 | 同轴 |
0755 84689265 手机/微信:18320955412 QQ:2423332841 邮箱:2423332841@qq.com