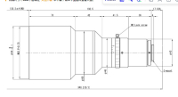
VST微视科 VS-TCM03-130/S 远心镜头
| 产品号 | VS-TCM03-130/S |
|---|
| 接口形式 | C |
| 倍率 | x0.3±5% |
| 实效F | 5.8F |
| 靶面 | 4/3‘’ |
| 工作距离 | 130.2mm±4 |
| 物像间距离O/I | 340.2mm |
| NA | 0.026 |
| 分辨率 | 12.9µ |
| 景深 | 5.1mm |
| 滤镜尺寸 | M 82 P=0.75 |
| 照明方式 | — |
| 外形尺寸 | Φ84mm x 192.5mm |
| 重量 | 940g |
| 产地 | 进口 |
| 品牌 | VST |
| 推荐等级 | ★★★★★ |
| 客户评价 | ★★★★★ |
| 特殊说明 | 无 |
0755 84689265 手机/微信:18320955412 QQ:2423332841 邮箱:2423332841@qq.com