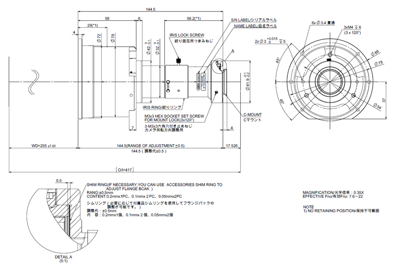
MORITEX茉丽特 MML035-HR255VI-18C 远心镜头
规格
- 规格
- MML035-HR255VI-18C
- 倍率
- 0.345
- O/I [mm]
- 417
- WD (mm)
- 255
- 分辨率 (μm)
- 14.8~41.9
- 景深 (mm)
- 5.12~14.8
- NA
- 0.023~0.008
- 有效F数
- 7.61~22
- TV畸变[%]
- ≤0.014
- 最大像面[mm]
- 18
外观图
0755 84689265 手机/微信:18320955412 QQ:2423332841 邮箱:2423332841@qq.com