SIGMA西格玛   C30-PBSU-5150-UU   笼式偏光立方体分光器组件
  • SIGMA西格玛   C30-PBSU-5150-UU   笼式偏光立方体分光器组件

SIGMA西格玛 C30-PBSU-5150-UU 笼式偏光立方体分光器组件

SIGMA西格玛   C30-PBSU-5150-UU   笼式偏光立方体分光器组件

更多信息
RoHS
CE
图纸下载



设计波长515 nm
P偏光透过率> 97 %
S偏光反射率> 97 %
激光损伤阈值5 J/cm2 (入射角0°,激光脉冲宽度10ns,重复频率20Hz)
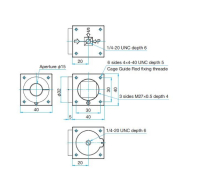
导杆直径(间距)φ6 mm [4-40UNC] (30x30 mm)
材质合成石英
自重0.12 kg
粘接剂无(光学接触)
透过消光比Ts:Tp = 1:200
有效口径φ15 mm

0755 84689265 手机/微信:18320955412  QQ:2423332841  邮箱:2423332841@qq.com

常见问题1 2 3
本站使用百度智能门户搭建 管理登录